Поворотные заглушки
Диаметры (Ду): от 15 до 700 мм
Давление (Ру): от 1,6 до 16,0 МПа (от 16 до 160 кгс/см2)
Марки сталей: ст. 20, 09Г2С, 13ХФА, 15Х5М, 12Х18Н10Т, 10Х17Н13М2Т
К отгружаемой продукции прилагаются:
- Сертификат соответствия;
- Паспорт качества.
Заполните форму или отправьте заявку на e-mail:
zakaz@zavodtpa.com
Обратите внимание: также рекомендуем заказать у нас комплектующие элементы (прокладки и крепёж) необходимые для фланцевого соединения. Это позволит Вам:
- Получить цены от производителя;
- Сократить транспортные расходы;
- Укомплектовать заказ на одном складе - это удобно;
- Приобрести сертифицированную продукцию.
Для корректного подбора комплекта ответных фланцев, воспользуйтесь калькулятором.

Назначение
Поворотная заглушка предназначенна для периодического открытия и закрытия сечения трубопровода. Конструктивно данная заглушка состоит из двух элементов: сплошной диск; кольцо с отверстием для прохода среды. Между этими двумя элементами расположено отверстие для шпильки служащей в качестве поворотной оси.
Заглушки поворотные работают со средами, вызывающими скорость проникновения коррозии не более 0,4 мм в год, а также со средами, вызывающими коррозионное растрескивание металла.
Методы и способы производства:
- Плазменная или газовая резка из листового проката;
- Метод штамповки;
- Литейный способ.
Отрасли применения:
- Химическая;
- Нефтеперерабатывающая;
- Нефтехимическая;
- Газовая;
- Нфтяная и другие смежные отрасли промышленности.
Исполнения:
Исполнение 1 - заглушки поворотные с соединительным выступом на условное давление от 1,6 до 4,0 МПа;
Исполнение 2 - заглушки поворотные выступ-впадина на условное давление от 1,6 до 10,0 МПа;
Исполнение 3 - заглушки поворотные под прокладку овального сечения на условное давление от 6,3 до 16,0 МПа.
Условия применения
Заглушки поворотные применяются при условном давлении от 1,6 до 16 МПа и при температуре от минус 70 до 475 °С.
Пример условного обозначения:
Заглушка поворотная исполнения 1 с условным проходом 100 мм на условное давление 1,6 МПа из стали марки 09Г2С категории 6:
Заглушка поворотная 1-100-1,6-09Г2С-6 АТК 26-18-5-93
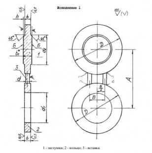
Конструкция и размеры

1 - заглушка; 2 - кольцо; 3 - вставка.
Примечание. Шероховатость поверхностей Б для заглушек из поковок Ra ≤ 100 мкм.
Черт. 1
Таблица 1 - Исполнение 1 Давление (Ру) 1,6 МПа (16 кгс/см2)
Размеры в миллиметрах
| D*y | D | d1 | d2 | A | B | b | b1 | h | d | Масса, кг не более |
| 15 | 47 | 12 | 10 | 65 | 30 | 12 | 16 | 2 | 10 | 0,5 |
| 80 | 133 | 78 | 76 | 160 | 50 | 12 | 16 | 2 | 10 | 2,5 |
| 100 | 158 | 96 | 94 | 180 | 60 | 3,5 | ||||
| 150 | 212 | 146 | 142 | 240 | 70 | 14 | 18 | 6 | ||
| 200 | 268 | 202 | 196 | 295 | 75 | 18 | 22 | 12,5 | ||
| 250 | 320 | 254 | 244 | 355 | 80 | 21 | 25 | 20 | ||
| 300 | 370 | 303 | 294 | 410 | 22 | 28 | 3 4 | 28 | ||
| 350 | 430 | 351 | 344 | 470 | 24 | 30 | 16 | 41,5 | ||
| 400 | 482 | 398 | 390 | 525 | 26 | 32 | 55 | |||
| 500 | 585 | 501 | 490 | 650 | 85 | 30 | 36 | 90 | ||
| 700 | 800 | 692 | 680 | 840 | 100 | 37 | 45 | 20 | 206 |
* Заглушку поворотную Ду 50 принимать по табл. 3 на Ру 4,0 МПа.
Таблица 2 - Исполнение 1 Давление (Ру) 2,5 МПа (25 кгс/см2)
Размеры в миллиметрах
| D*y | D | d1 | d2 | A | B | b | b1 | h | d | Масса, кг не более |
| 200 | 278 | 202 | 196 | 310 | 75 | 21 | 25 | 2 | 10 | 16 |
| 250 | 335 | 254 | 244 | 370 | 80 | 24 | 28 | 26 | ||
| 300 | 390 | 303 | 294 | 430 | 30 | 3 | 16 | 35 | ||
| 350 | 450 | 351 | 344 | 490 | 26 | 32 | 50 | |||
| 400 | 505 | 398 | 390 | 550 | 90 | 30 | 36 | 72 | ||
| 500 | 615 | 500 | 490 | 660 | 34 | 40 | 124 |
* Заглушки поворотные Ду 50 - 150 принимать по табл. 3 на Ру 4,0 МПа.
Таблица 3 - Исполнение 1 Давление (Ру) 4,0 МПа (40 кгс/см2)
Размеры в миллиметрах
| Dy | D | d1 | d2 | A | B | b | b1 | h | d | Масса, кг не более |
| 25 | 68 | 25 | 22 | 85 | 40 | 10 | 15 | 2 | 10 | 0,8 |
| 50 | 102 | 48 | 46 | 125 | 50 | 12 | 16 | 2 | 10 | 1,5 |
| 80 | 133 | 78 | 76 | 160 | 14 | 18 | 3 | |||
| 100 | 158 | 96 | 94 | 190 | 60 | 16 | 20 | 4,5 | ||
| 150 | 212 | 145 | 142 | 250 | 70 | 21 | 25 | 10 | ||
| 200 | 285 | 200 | 196 | 320 | 75 | 26 | 30 | 16 | 21 | |
| 250 | 345 | 252 | 244 | 385 | 80 | 30 | ||||
| 300 | 410 | 301 | 294 | 450 | 32 | 3 | 43 | |||
| 350 | 465 | 351 | 344 | 510 | 30 | 36 | 62 | |||
| 400 | 535 | 398 | 390 | 585 | 105 | 34 | 40 | 94 | ||
| 500 | 615 | 495 | 490 | 670 | 100 | 44 | 50 | 20 | 148 |

1 - заглушка; 2 - кольцо; 3 - вставка.
Примечание. Шероховатость поверхностей Б для заглушек из поковок Ra ≤ 100 мкм.
Черт. 2
Таблица 4 - Исполнение 2 Давление (Ру) 4,0 МПа (40 кгс/см2)
Размеры в миллиметрах
| Dy | D | D1 | D2 | d1 | d2 | A | B | b | b1 | h | h1 | h2 | d | Масса, кг не более |
| 15 | 47 | 40 | 39 | 12 | 10 | 65 | 30 | 10 | 15 | 2 | 4 | 3 | 10 | 0,4 |
| 25 | 68 | 58 | 57 | 25 | 22 | 85 | 40 | 0,8 | ||||||
| 65 | 122 | 110 | 109 | 66 | 60 | 145 | 50 | 12 | 17 | 2 | ||||
| 50 | 102 | 88 | 87 | 48 | 46 | 125 | 50 | 11 | 16 | 2 | 4 | 3 | 10 | 1,5 |
| 80 | 133 | 121 | 120 | 78 | 76 | 160 | 13 | 18 | 3 | |||||
| 100 | 158 | 150 | 149 | 96 | 94 | 190 | 60 | 15 | 20 | 4,5 | ||||
| 150 | 212 | 204 | 203 | 145 | 142 | 250 | 70 | 20 | 25 | 10,5 | ||||
| 200 | 285 | 260 | 259 | 200 | 196 | 320 | 75 | 25 | 30 | 20,5 | ||||
| 250 | 345 | 313 | 312 | 252 | 244 | 385 | 80 | 16 | 29 | |||||
| 300 | 410 | 364 | 363 | 301 | 294 | 450 | 32 | 3 | 5 | 4 | 42 | |||
| 350 | 465 | 422 | 421 | 351 | 344 | 510 | 29 | 36 | 61 | |||||
| 400 | 535 | 474 | 473 | 398 | 390 | 585 | 105 | 33 | 40 | 91 | ||||
| 500 | 615 | 576 | 575 | 495 | 490 | 670 | 100 | 43 | 50 | 20 | 147 |
Таблица 4а - Исполнение 2 Давление (Ру) 1,6 МПа (16 кгс/см2)
Размеры в миллиметрах
| Dу* | D | D1 | D2 | d1 | d2 | А | В | b | b1 | h | h1 | h2 | d | Масса, кг не более |
| 80 | 133 | 121 | 120 | 78 | 76 | 160 | 50 | 11 | 16 | 2 | 4 | 3 | 10 | 2,5 |
| 100 | 158 | 150 | 149 | 96 | 94 | 180 | 60 | 3,5 | ||||||
| 150 | 212 | 204 | 203 | 146 | 142 | 240 | 70 | 13 | 18 | 6,5 | ||||
| 200 | 268 | 260 | 259 | 202 | 196 | 295 | 75 | 17 | 22 | 12,5 | ||||
| 250 | 320 | 313 | 312 | 254 | 244 | 355 | 80 | 20 | 25 | 20 | ||||
| 300 | 370 | 364 | 363 | 303 | 294 | 410 | 21 | 28 | 3 | 5 | 4 | 27,5 | ||
| 350 | 430 | 422 | 421 | 351 | 344 | 470 | 23 | 30 | 16 | 40,5 | ||||
| 400 | 482 | 474 | 473 | 398 | 390 | 525 | 25 | 32 | 54,5 | |||||
| 500 | 585 | 576 | 575 | 501 | 490 | 650 | 85 | 29 | 36 | 88,5 | ||||
| 700 | 800 | 778 | 777 | 692 | 680 | 840 | 100 | 36 | 45 | 4 | 6 | 5 | 20 | 203 |
* Заглушку поворотную Ду 50 принимать по таблице 4 на Ру 4,0 МПа.
Таблица 4б - Исполнение 2 Давление (Ру) 2,5 МПа (25 кгс/см2)
Размеры в миллиметрах
| Dу* | D | D1 | D2 | d1 | d2 | А | В | b | b1 | h | h1 | h2 | d | Масса, кг не более |
| 200 | 278 | 260 | 259 | 202 | 196 | 310 | 75 | 20 | 25 | 2 | 4 | 3 | 10 | 15,5 |
| 250 | 335 | 313 | 312 | 254 | 244 | 370 | 80 | 23 | 28 | 24,5 | ||||
| 300 | 390 | 364 | 363 | 303 | 294 | 430 | 30 | 3 | 5 | 4 | 16 | 34,5 | ||
| 350 | 450 | 422 | 421 | 351 | 344 | 490 | 25 | 32 | 49 | |||||
| 400 | 505 | 474 | 473 | 398 | 390 | 550 | 90 | 29 | 36 | 70 | ||||
| 500 | 615 | 576 | 575 | 500 | 490 | 660 | 33 | 40 | 113,5 |
* Заглушки поворотные Ду 50 - 150 принимать по таблице 4 на Ру 4,0 МПа.
Таблица 5 - Исполнение 2 Давление (Ру) 6,3 МПа (63 кгс/см2)
Размеры в миллиметрах
| Dy | D | D1 | D2 | d1 | d2 | A | B | b | b1 | h | h1 | h2 | d | Масса, кг не более |
| 25 | 68 | 58 | 57 | 25 | 22 | 100 | 40 | 11 | 16 | 2 | 4 | 3 | 10 | 0,7 |
| 50 | 102 | 88 | 87 | 47 | 46 | 135 | 50 | 13 | 18 | 2 | ||||
| 80 | 133 | 121 | 120 | 77 | 76 | 170 | 17 | 22 | 3,5 |
Таблица 6 - Исполнение 2 Давление (Ру) 10,0 МПа (100 кгс/см2)
Размеры в миллиметрах
| Dy | D | D1 | D2 | d1 | d2 | A | B | b | b1 | h | h1 | h2 | d | Масса, кг не более |
| 50 | 102 | 88 | 87 | 45 | 46 | 145 | 50 | 15 | 20 | 2 | 4 | 3 | 10 | 2 |
| 80 | 133 | 121 | 120 | 75 | 76 | 180 | 19 | 24 | 4 | |||||
| 100 | 158 | 150 | 149 | 92 | 94 | 210 | 60 | 23 | 28 | 6,5 |

1 - заглушка; 2 - кольцо; 3 - вставка.
Примечание. Шероховатость поверхностей Б для заглушек из поковок Ra ≤ 100 мкм.
Черт. 3
Таблица 7 - Исполнение 3 Давление (Ру) 6,3 МПа (63 кгс/см2)
Размеры в миллиметрах
| Dy | D | d1 | d2 | d3 | A | B | b | b1 | b2 | h | h3 | r | d | Масса, кг не более |
| 50 | 102 | 47 | 46 | 85 | 135 | 50 | 32 | 36 | 12 | 2 | 8 | 4 | 10 | 3 |
| 80 | 133 | 77 | 76 | 115 | 170 | 36 | 40 | 6 | ||||||
| 100 | 170 | 94 | 94 | 145 | 200 | 60 | 10 | |||||||
| 150 | 240 | 142 | 142 | 205 | 280 | 80 | 41 | 45 | 23 | |||||
| 200 | 285 | 198 | 196 | 265 | 345 | 75 | 46 | 50 | 34 | |||||
| 250 | 345 | 246 | 244 | 320 | 400 | 95 | 51 | 55 | 16 | 55 | ||||
| 300 | 410 | 294 | 294 | 375 | 460 | 54 | 60 | 3 | 83 | |||||
| 350 | 465 | 342 | 342 | 420 | 525 | 100 | 20 | 107 | ||||||
| 400 | 535 | 386 | 386 | 480 | 585 | 59 | 65 | 156 |
Таблица 8 - Исполнение 3 Давление (Ру) 10,0 МПа (100 кгс/см2)
Размеры в миллиметрах
| Dy | D | d1 | d2 | d3 | A | B | b | b1 | b2 | h | h3 | r | d | Масса, кг не более |
| 50 | 102 | 45 | 45 | 85 | 145 | 50 | 36 | 40 | 12 | 2 | 8 | 4 | 10 | 4 |
| 80 | 150 | 75 | 75 | 115 | 180 | 8 | ||||||||
| 100 | 175 | 92 | 92 | 145 | 210 | 60 | 41 | 45 | 12,5 | |||||
| 150 | 250 | 136 | 136 | 205 | 290 | 46 | 50 | 29,5 | ||||||
| 200 | 285 | 190 | 190 | 265 | 360 | 80 | 56 | 60 | 16 | 43 | ||||
| 250 | 345 | 236 | 236 | 320 | 430 | 95 | 61 | 65 | 68 | |||||
| 300 | 410 | 284 | 284 | 375 | 500 | 69 | 75 | 3 | 20 | 109 | ||||
| 350 | 465 | 332 | 332 | 420 | 560 | 17 | 11 | 5,8 | 135 | |||||
| 400 | 535 | 376 | 376 | 480 | 620 | 74 | 80 | 196 |
Таблица 9 - Исполнение 3 Давление (Ру) 16,0 МПа (160 кгс/см2)
Размеры в миллиметрах
| Dy | D | d1 | d2 | d3 | A | B | b | b1 | b2 | h | h3 | r | d | Масса, кг не более |
| 15 | 55 | 12 | 10 | 35 | 75 | 30 | 24 | 28 | 9 | 2 | 6,5 | 2,8 | 10 | 1 |
| 20 | 58 | 18 | 16 | 45 | 90 | 30 | 24 | 28 | 9 | 2 | 6,5 | 2,8 | 10 | 1 |
| 25 | 68 | 25 | 22 | 50 | 100 | 40 | 26 | 30 | 9 | 2 | 6,5 | 2,8 | 10 | 1,5 |
| 50 | 115 | 45 | 45 | 95 | 145 | 50 | 41 | 45 | 12 | 8 | 4 | 6 | ||
| 80 | 150 | 75 | 75 | 130 | 180 | 46 | 50 | 11 | ||||||
| 100 | 175 | 92 | 92 | 145 | 210 | 80 | 16 | 14 | ||||||
| 150 | 250 | 136 | 136 | 205 | 290 | 56 | 60 | 14 | 10 | 4,2 | 35,5 | |||
| 200 | 315 | 190 | 190 | 275 | 360 | 66 | 70 | 17 | 11 | 5,8 | 63,5 | |||
| 250 | 380 | 236 | 236 | 330 | 430 | 100 | 76 | 80 | 20 | 107 | ||||
| 300 | 410 | 284 | 284 | 380 | 500 | 84 | 90 | 23 | 3 | 14 | 8,5 | 126 | ||
| 400 | 595 | 356 | 356 | 480 | 660 | 94 | 100 | 330 |





