Не нашли что искали? Отправьте заявку!
Каталог товаров
Детали трубопровода
Запорно-регулирующая арматура
Опоры трубопроводов
Инженерная сантехника
Люки и дождеприёмники
Крепёж и метизы
Металлопрокат
Фланцы
Воротниковые
Плоские
Свободные
Резьбовые
Под ПЭ трубу
Отводы
Крутоизогнутые
Гнутые
Секторные сварные
В ППУ изоляции
Переходы
Бесшовные
Сварные
Тройники
Бесшовные
Сварные
Заглушки
Фланцевые
Эллиптические
Поворотные
Задвижки
Чугунные
Стальные
Нержавеющие
Краны
Шаровые фланцевые
Шаровые под приварку
Затворы
Чугунные
Стальные
Клапаны
Чугунные
Стальные
Нержавеющие
Фильтры
Магнитные фланцевые
Сетчатые фланцевые
Вентили
Чугунные
Стальные
Нержавеющие
Электроприводы
Колонковые
Встроенные
Указатели уровня
Конденсатоотводчики
Регуляторы
Хомутовые
Подвижные
Неподвижные
Скользящие
Бугельные
Катковые
ОСТ опоры
Водоснабжение
Арматура запорная
Расширительные баки
Приборы учета
Комплектующие для стиральных машин
Гибкая подводка для воды
Элементы системы водоснабжения
Водонагреватели
Уплотнительные материалы
Трубы и фитинги
Трубы
Фитинги
Крепёж
Пожарные системы
Канализация и водоотведение
Наружная канализация
Внутренняя канализация
Сифоны и сливы
Отопление
Баки для отопления
Радиаторы отопления
Коллекторы и коллекторные группы
Полотенцесушители
Теплоноситель для системы отопления
Теплоизоляция для труб
Кожух гофрированный для труб
Насосное оборудование
Циркуляционные насосы
Скважинные насосы
Дренажные насосы
Фекальные насосы
Станции насосные
Поверхностные насосы
Канализационные туалетные насосы
Вибрационные насосы
Насос повышения давления
Аксессуары для насосного оборудования
Теплый пол
Водяной теплый пол
Электрический теплый пол
Дождеприёмники
Люки чугунные
Люки полимерно-песчаные
Шайбы
Болты
Шпильки
Гайки
Цветной металлопрокат
Медный прокат
Бронзовый прокат
Алюминиевый прокат
Сортовой прокат
Арматура
Квадрат
Круги
Плиты
Полосы
Ленты
Прутки
Шестигранники
Фасонный прокат
Швеллеры
Двутавровые балки
Уголки
Тавр стальной
Полособульб
Профиль гнутый Z-образный
Профиль гнутый С-образный
Листовой прокат
Листы стальные
Перфорированный лист
Просечно-вытяжной лист
Лист рифленый
Жесть листовая
Рулонная сталь
Трубный прокат
Трубы стальные
Трубы в изоляции
Биметаллические трубы
Трубы чугунные
Информация
О нас
Сертификаты
Благодарственные письма
Вопросы-ответы
Реквизиты
Услуги
Производство металлоконструкций
Производство деталей и узлов трубопровода
Транспортно-Логистические услуги
Склад ответственного хранения
Сервисы
Калькулятор КОФ
Спец. цены (скачать прайс)
Контакты
Поиск
0
Ваша корзина пуста
Исправить это просто: выберите в каталоге интересующий товар и нажмите кнопку «В корзину».
Корзина
Очистить корзину
Итого:
0
Скидка
Перейти в корзину
8 (800) 700-30-64
8 (343) 253-55-55
info@zavodtpa.com
Офис
8 (343) 253-55-55 (вн. 313)
zakaz@zavodtpa.com
Трубопроводная арматура
8 (343) 253-55-55 (вн. 325)
santech@zavodtpa.com
Инженерная сантехника
8 (343) 253-55-55 (вн. 803)
metall@zavodtpa.com
Металлопрокат
8 (343) 253-55-55 (вн. 603)
logist@zavodtpa.com
Транспортные услуги
zakaz@zavodtpa.com
Оставить заявку
0
Ваша корзина пуста
Исправить это просто: выберите в каталоге интересующий товар и нажмите кнопку «В корзину».
Корзина
Очистить корзину
Итого:
0
Скидка
Перейти в корзину
Каталог товаров
Детали трубопровода
Запорно-регулирующая арматура
Опоры трубопроводов
Инженерная сантехника
Люки и дождеприёмники
Крепёж и метизы
Металлопрокат
Фланцы
Воротниковые
Плоские
Свободные
Резьбовые
Под ПЭ трубу
Отводы
Крутоизогнутые
Гнутые
Секторные сварные
В ППУ изоляции
Переходы
Бесшовные
Сварные
Тройники
Бесшовные
Сварные
Заглушки
Фланцевые
Эллиптические
Поворотные
Задвижки
Чугунные
Стальные
Нержавеющие
Краны
Шаровые фланцевые
Шаровые под приварку
Затворы
Чугунные
Стальные
Клапаны
Чугунные
Стальные
Нержавеющие
Фильтры
Магнитные фланцевые
Сетчатые фланцевые
Вентили
Чугунные
Стальные
Нержавеющие
Электроприводы
Колонковые
Встроенные
Указатели уровня
Конденсатоотводчики
Регуляторы
Хомутовые
Подвижные
Неподвижные
Скользящие
Бугельные
Катковые
ОСТ опоры
Водоснабжение
Арматура запорная
Расширительные баки
Приборы учета
Комплектующие для стиральных машин
Гибкая подводка для воды
Элементы системы водоснабжения
Водонагреватели
Уплотнительные материалы
Трубы и фитинги
Трубы
Фитинги
Крепёж
Пожарные системы
Канализация и водоотведение
Наружная канализация
Внутренняя канализация
Сифоны и сливы
Отопление
Баки для отопления
Радиаторы отопления
Коллекторы и коллекторные группы
Полотенцесушители
Теплоноситель для системы отопления
Теплоизоляция для труб
Кожух гофрированный для труб
Насосное оборудование
Циркуляционные насосы
Скважинные насосы
Дренажные насосы
Фекальные насосы
Станции насосные
Поверхностные насосы
Канализационные туалетные насосы
Вибрационные насосы
Насос повышения давления
Аксессуары для насосного оборудования
Теплый пол
Водяной теплый пол
Электрический теплый пол
Дождеприёмники
Люки чугунные
Люки полимерно-песчаные
Шайбы
Болты
Шпильки
Гайки
Цветной металлопрокат
Медный прокат
Бронзовый прокат
Алюминиевый прокат
Сортовой прокат
Арматура
Квадрат
Круги
Плиты
Полосы
Ленты
Прутки
Шестигранники
Фасонный прокат
Швеллеры
Двутавровые балки
Уголки
Тавр стальной
Полособульб
Профиль гнутый Z-образный
Профиль гнутый С-образный
Листовой прокат
Листы стальные
Перфорированный лист
Просечно-вытяжной лист
Лист рифленый
Жесть листовая
Рулонная сталь
Трубный прокат
Трубы стальные
Трубы в изоляции
Биметаллические трубы
Трубы чугунные
Информация
О нас
Сертификаты
Благодарственные письма
Вопросы-ответы
Реквизиты
Услуги
Производство металлоконструкций
Производство деталей и узлов трубопровода
Транспортно-Логистические услуги
Склад ответственного хранения
Сервисы
Калькулятор КОФ
Спец. цены (скачать прайс)
Контакты
Найти
Главная
Детали трубопровода
Запорно-регулирующая арматура
Опоры трубопроводов
Инженерная сантехника
Люки и дождеприёмники
Крепёж и метизы
Металлопрокат
Тройники
Фланцы
Отводы
Переходы
Заглушки
Сварные
Бесшовные
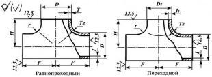
Сварные тройники
Каталог
Равнопроходные
Переходные
Фильтр
Марка стали
09Г2С
12Х18Н10Т
Ст20
D — наружный диаметр, мм
76
89
108
133
159
219
273
325
377
426
530
630
720
820
1020
1220
1420
1620
Ру/PN — условное давление, МПа
0,4
0,6
1
1,6
2,5
4
Стандарт
ОСТ 34 10.764-97
ОСТ 34 10.762-97
D — наружный диаметр штуцера, мм
108
133
159
219
273
325
377
426
530
630
720
820
1020
1220
1420
Тип
Равнопроходной
Переходной
T — толщина стенки, мм
4
4.5
5
6
7
8
9
10
11
12
14
16
18
22
25
T1 — толщина стенки, мм
3.5
4
5
6
7
8
9
10
11
12
13
14
15
16
18
22
25
Информация
О нас
Сертификаты
Благодарственные письма
Вопросы-ответы
Реквизиты
Услуги
Производство металлоконструкций
Производство деталей и узлов трубопровода
Транспортно-Логистические услуги
Склад ответственного хранения
Сервисы
Калькулятор КОФ
Спец. цены (скачать прайс)
Контакты
Оставить заявку
Написать на почту
552
Тройник сварной переходный 1020х14-219х7-1,6 09Г2С ОСТ 34 10.764-97
В наличии
Ру/PN — условное давление, МПа
1,6
Тип
Переходной
Стандарт
ОСТ 34 10.764-97
D — наружный диаметр, мм
1020
Марка стали
09Г2С
По запросу
В корзину
Быстрый заказ
Тройник сварной переходный 1020х14-219х7-1,6 12Х18Н10Т ОСТ 34 10.764-97
В наличии
Ру/PN — условное давление, МПа
1,6
Тип
Переходной
Стандарт
ОСТ 34 10.764-97
D — наружный диаметр, мм
1020
Марка стали
12Х18Н10Т
По запросу
В корзину
Быстрый заказ
Тройник сварной переходный 1020х14-219х7-1,6 Ст20 ОСТ 34 10.764-97
В наличии
Ру/PN — условное давление, МПа
1,6
Тип
Переходной
Стандарт
ОСТ 34 10.764-97
D — наружный диаметр, мм
1020
Марка стали
Ст20
По запросу
В корзину
Быстрый заказ
Тройник сварной переходный 1020х14-273х8-1,6 09Г2С ОСТ 34 10.764-97
В наличии
Ру/PN — условное давление, МПа
1,6
Тип
Переходной
Стандарт
ОСТ 34 10.764-97
D — наружный диаметр, мм
1020
Марка стали
09Г2С
По запросу
В корзину
Быстрый заказ
Тройник сварной переходный 1020х14-273х8-1,6 12Х18Н10Т ОСТ 34 10.764-97
В наличии
Ру/PN — условное давление, МПа
1,6
Тип
Переходной
Стандарт
ОСТ 34 10.764-97
D — наружный диаметр, мм
1020
Марка стали
12Х18Н10Т
По запросу
В корзину
Быстрый заказ
Тройник сварной переходный 1020х14-273х8-1,6 Ст20 ОСТ 34 10.764-97
В наличии
Ру/PN — условное давление, МПа
1,6
Тип
Переходной
Стандарт
ОСТ 34 10.764-97
D — наружный диаметр, мм
1020
Марка стали
Ст20
По запросу
В корзину
Быстрый заказ
Тройник сварной переходный 1020х14-325х8-1,6 09Г2С ОСТ 34 10.764-97
В наличии
Ру/PN — условное давление, МПа
1,6
Тип
Переходной
Стандарт
ОСТ 34 10.764-97
D — наружный диаметр, мм
1020
Марка стали
09Г2С
По запросу
В корзину
Быстрый заказ
Тройник сварной переходный 1020х14-325х8-1,6 12Х18Н10Т ОСТ 34 10.764-97
В наличии
Ру/PN — условное давление, МПа
1,6
Тип
Переходной
Стандарт
ОСТ 34 10.764-97
D — наружный диаметр, мм
1020
Марка стали
12Х18Н10Т
По запросу
В корзину
Быстрый заказ
Тройник сварной переходный 1020х14-325х8-1,6 Ст20 ОСТ 34 10.764-97
В наличии
Ру/PN — условное давление, МПа
1,6
Тип
Переходной
Стандарт
ОСТ 34 10.764-97
D — наружный диаметр, мм
1020
Марка стали
Ст20
По запросу
В корзину
Быстрый заказ
Тройник сварной переходный 1020х14-377х9-1,6 09Г2С ОСТ 34 10.764-97
В наличии
Ру/PN — условное давление, МПа
1,6
Тип
Переходной
Стандарт
ОСТ 34 10.764-97
D — наружный диаметр, мм
1020
Марка стали
09Г2С
По запросу
В корзину
Быстрый заказ
Тройник сварной переходный 1020х14-377х9-1,6 12Х18Н10Т ОСТ 34 10.764-97
В наличии
Ру/PN — условное давление, МПа
1,6
Тип
Переходной
Стандарт
ОСТ 34 10.764-97
D — наружный диаметр, мм
1020
Марка стали
12Х18Н10Т
По запросу
В корзину
Быстрый заказ
Тройник сварной переходный 1020х14-377х9-1,6 Ст20 ОСТ 34 10.764-97
В наличии
Ру/PN — условное давление, МПа
1,6
Тип
Переходной
Стандарт
ОСТ 34 10.764-97
D — наружный диаметр, мм
1020
Марка стали
Ст20
По запросу
В корзину
Быстрый заказ
Тройник сварной переходный 1020х14-426х9-1,6 09Г2С ОСТ 34 10.764-97
В наличии
Ру/PN — условное давление, МПа
1,6
Тип
Переходной
Стандарт
ОСТ 34 10.764-97
D — наружный диаметр, мм
1020
Марка стали
09Г2С
По запросу
В корзину
Быстрый заказ
Тройник сварной переходный 1020х14-426х9-1,6 12Х18Н10Т ОСТ 34 10.764-97
В наличии
Ру/PN — условное давление, МПа
1,6
Тип
Переходной
Стандарт
ОСТ 34 10.764-97
D — наружный диаметр, мм
1020
Марка стали
12Х18Н10Т
По запросу
В корзину
Быстрый заказ
Тройник сварной переходный 1020х14-426х9-1,6 Ст20 ОСТ 34 10.764-97
В наличии
Ру/PN — условное давление, МПа
1,6
Тип
Переходной
Стандарт
ОСТ 34 10.764-97
D — наружный диаметр, мм
1020
Марка стали
Ст20
По запросу
В корзину
Быстрый заказ
Тройник сварной переходный 1020х14-530х11-1,6 09Г2С ОСТ 34 10.764-97
В наличии
Ру/PN — условное давление, МПа
1,6
Тип
Переходной
Стандарт
ОСТ 34 10.764-97
D — наружный диаметр, мм
1020
Марка стали
09Г2С
По запросу
В корзину
Быстрый заказ
Тройник сварной переходный 1020х14-530х11-1,6 12Х18Н10Т ОСТ 34 10.764-97
В наличии
Ру/PN — условное давление, МПа
1,6
Тип
Переходной
Стандарт
ОСТ 34 10.764-97
D — наружный диаметр, мм
1020
Марка стали
12Х18Н10Т
По запросу
В корзину
Быстрый заказ
Тройник сварной переходный 1020х14-530х11-1,6 Ст20 ОСТ 34 10.764-97
В наличии
Ру/PN — условное давление, МПа
1,6
Тип
Переходной
Стандарт
ОСТ 34 10.764-97
D — наружный диаметр, мм
1020
Марка стали
Ст20
По запросу
В корзину
Быстрый заказ
Тройник сварной переходный 1020х14-530х8-1,0 09Г2С ОСТ 34 10.764-97
В наличии
Ру/PN — условное давление, МПа
1
Тип
Переходной
Стандарт
ОСТ 34 10.764-97
D — наружный диаметр, мм
1020
Марка стали
09Г2С
По запросу
В корзину
Быстрый заказ
Тройник сварной переходный 1020х14-530х8-1,0 12Х18Н10Т ОСТ 34 10.764-97
В наличии
Ру/PN — условное давление, МПа
1
Тип
Переходной
Стандарт
ОСТ 34 10.764-97
D — наружный диаметр, мм
1020
Марка стали
12Х18Н10Т
По запросу
В корзину
Быстрый заказ
Тройник сварной переходный 1020х14-530х8-1,0 Ст20 ОСТ 34 10.764-97
В наличии
Ру/PN — условное давление, МПа
1
Тип
Переходной
Стандарт
ОСТ 34 10.764-97
D — наружный диаметр, мм
1020
Марка стали
Ст20
По запросу
В корзину
Быстрый заказ
Тройник сварной переходный 1020х14-630х10-1,0 09Г2С ОСТ 34 10.764-97
В наличии
Ру/PN — условное давление, МПа
1
Тип
Переходной
Стандарт
ОСТ 34 10.764-97
D — наружный диаметр, мм
1020
Марка стали
09Г2С
По запросу
В корзину
Быстрый заказ
Тройник сварной переходный 1020х14-630х10-1,0 12Х18Н10Т ОСТ 34 10.764-97
В наличии
Ру/PN — условное давление, МПа
1
Тип
Переходной
Стандарт
ОСТ 34 10.764-97
D — наружный диаметр, мм
1020
Марка стали
12Х18Н10Т
По запросу
В корзину
Быстрый заказ
Тройник сварной переходный 1020х14-630х10-1,0 Ст20 ОСТ 34 10.764-97
В наличии
Ру/PN — условное давление, МПа
1
Тип
Переходной
Стандарт
ОСТ 34 10.764-97
D — наружный диаметр, мм
1020
Марка стали
Ст20
По запросу
В корзину
Быстрый заказ
Тройник сварной переходный 1020х14-720х9-1,0 09Г2С ОСТ 34 10.764-97
В наличии
Ру/PN — условное давление, МПа
1
Тип
Переходной
Стандарт
ОСТ 34 10.764-97
D — наружный диаметр, мм
1020
Марка стали
09Г2С
По запросу
В корзину
Быстрый заказ
Тройник сварной переходный 1020х14-720х9-1,0 12Х18Н10Т ОСТ 34 10.764-97
В наличии
Ру/PN — условное давление, МПа
1
Тип
Переходной
Стандарт
ОСТ 34 10.764-97
D — наружный диаметр, мм
1020
Марка стали
12Х18Н10Т
По запросу
В корзину
Быстрый заказ
Тройник сварной переходный 1020х14-720х9-1,0 Ст20 ОСТ 34 10.764-97
В наличии
Ру/PN — условное давление, МПа
1
Тип
Переходной
Стандарт
ОСТ 34 10.764-97
D — наружный диаметр, мм
1020
Марка стали
Ст20
По запросу
В корзину
Быстрый заказ
Тройник сварной переходный 1020х14-820х9-1,0 09Г2С ОСТ 34 10.764-97
В наличии
Ру/PN — условное давление, МПа
1
Тип
Переходной
Стандарт
ОСТ 34 10.764-97
D — наружный диаметр, мм
1020
Марка стали
09Г2С
По запросу
В корзину
Быстрый заказ
Тройник сварной переходный 1020х14-820х9-1,0 12Х18Н10Т ОСТ 34 10.764-97
В наличии
Ру/PN — условное давление, МПа
1
Тип
Переходной
Стандарт
ОСТ 34 10.764-97
D — наружный диаметр, мм
1020
Марка стали
12Х18Н10Т
По запросу
В корзину
Быстрый заказ
Тройник сварной переходный 1020х14-820х9-1,0 Ст20 ОСТ 34 10.764-97
В наличии
Ру/PN — условное давление, МПа
1
Тип
Переходной
Стандарт
ОСТ 34 10.764-97
D — наружный диаметр, мм
1020
Марка стали
Ст20
По запросу
В корзину
Быстрый заказ
Загрузить еще
1
2
...
19
phone
Форма обратной связи
Номер телефона
Ваше имя
Комментарий
Персональные данные
Нажимая на кнопку Отправить, вы соглашаетесь на
обработку персональных данных
Отправить
check-done
Спасибо за ваше сообщение! Мы свяжемся с вами в ближайшее время!