Фланцы стальные свободные на приварном кольце
1134
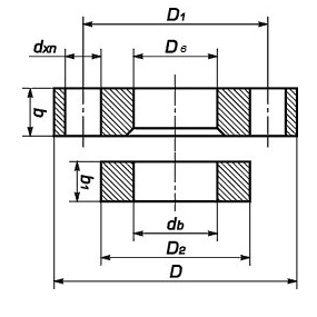
Диаметр Ду/Dn: от 10 до 600 мм
Давление Ру/Pn: от 0,1 до 2,5 МПа (от 1 до 25 кгс/см2)
Марки стали: ст.20, 09Г2С, 12Х18Н10Т (возможны другие)
Обратите внимание: приобретая фланцы плоские стальные приварные, также рекомендуем заказать у нас прокладки и крепёж необходимые для фланцевого соединения. Это позволит Вам:
- Получить цены от производителя;
- Сократить транспортные расходы;
- Укомплектовать заказ на одном складе - это удобно;
- Приобрести сертифицированную продукцию.
По всем вопросам звоните:
8 800 700 30 64
или отправьте заявку на e-mail:
zakaz@zavodtpa.com



