Фланцы стальные воротниковые приварные ГОСТ 12821-80
Диаметр Ду/Dn: от 10 до 2400 мм
Давление Ру/Pn: от 0,6 до 25,0 МПа (от 6 до 250 кгс/см2)
Марки стали: ст.3, ст.20, 09Г2С, 13ХФА, 15Х5М, 08/12Х18Н10Т, 10Х17Н13М2Т
Цены, наличие или срок производства, пожалуйста, уточняйте в отделе продаж
Диаметры (Ду): от 10 до 1600 мм
Давление (Ру): от 0,6 до 20,0 МПа (от 6 до 200 кгс/см2)
Марки стали: ст.20, 09Г2С, 12Х18Н10Т (возможны другие)
Возможно производство по Вашим чертежам и ТЗ
К отгружаемой продукции прилагаются:
- Сертификат соответствия;
- Паспорт качества.
Обратите внимание: также рекомендуем заказать у нас комплектующие элементы (прокладки и крепёж) необходимые для фланцевого соединения. Это позволит Вам:
- Получить цены от производителя;
- Сократить транспортные расходы;
- Укомплектовать заказ на одном складе - это удобно;
- Приобрести сертифицированную продукцию.
Для корректного подбора комплекта ответных фланцев, воспользуйтесь калькулятором.
По всем вопросам звоните:
8 800 700 30 64
или отправьте заявку на e-mail:
zakaz@zavodtpa.com
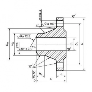
Назначение
Воротниковые фланцы широко применяются в трубах больших диаметров, а также для проведения трубопроводов к сосудам, технологическим аппаратам и резервуарам. Фланецы ГОСТ 12821-80 надёжно герметизируют все части трубопровода обладающих высоким давлением.
Методы и способы производства:
- Метод ковки;
- Метод штамповки;
- Литейный способ
* Метод производства влияет на цену фланцев.
Исполнения:
Исполнение 1 – фланцы воротниковые с соединительным выступом;
Исполнение 2 – фланцы воротниковые с выступом;
Исполнение 3 – фланцы воротниковые с впадиной;
Исполнение 4 – фланцы воротниковые с шипом;
Исполнение 5 – фланцы воротниковые с пазом;
Исполнение 6 – фланцы воротниковые с вырезом под линзовую прокладку;
Исполнение 7 – фланцы воротниковые с вырезом под овальную прокладку;
Исполнение 8 – фланцы воротниковые с шипом под фторопласт;
Исполнение 9 – фланцы воротниковые с пазом под фторопласт.
Отрасли применения:
- Нефтегазовая;
- Химическая;
- Пищевая;
- Энергетическая.
Условия применения:
Условное давление от 0,1 до 20,0 МПа;
Температура рабочей среды от -253 до +600°C.
Пример условного обозначения:
При заказе круглого стального приварного встык фланца Dy 50 мм на Ру 1,0 МПа (10 кгс/см2), из стали 09Г2С исполнения 1 (с соединительным выступом):
Фланец 1-50-10 Ст 09Г2С ГОСТ 12821-80
То же, квадратного:
Фланец квадратный 1-50-10 Ст 09Г2С ГОСТ 12821-80
* При заказе фланцев с шипом-пазом под фторопластовые прокладки к условному обозначению следует добавлять букву Ф после обозначения условного давления.





